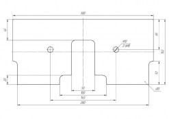
Скребок РАВ 140*300
Скребок конвейерный предназначен для перемещения зерна, продуктов его переработки и других сыпучих продуктов на цепном транспортере. Применение скребков из полимерных материалов снижает механическую нагрузку на тяговую цепь, подшипниковые узлы и привод транспортера, а также способствует снижению возможности травмирования зерна и семян.
Температура эксплуатации в диапазоне от -40 до +60 градусов. Толщина детали 10 мм.
Материал изготовления по выбору клиента.
Мы производим скребки с помощью литья на современных термопластавтоматах импортного производства. Такое производство имеет ряд преимуществ: позволяет экономить ресурсы за счет того, что не имеет отходов, позволяет создавать качественные полимерные скребки по индивидуальным чертежам в любых объемах и на разное оборудование.


