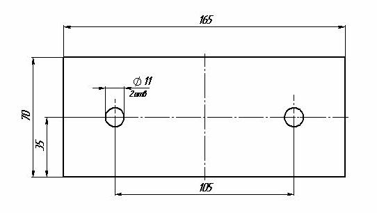
Скребок РАВ 70-165
Скребки предназначены для перемещения зерна, продуктов его переработки и других сыпучих продуктов на цепных транспортерах. Применение скребков из полимерного материала снижает механическую нагрузку на тяговую цепь, подшипниковые узлы и привод транспортера, а также способствуют снижению возможности травмирования зерна и семян.
Температура эксплуатации в диапазоне от -40 до +60 градусов.
Мы производим скребки с помощью литья на современных термопластавтоматах импортного производства. Такое производство имеет ряд преимуществ: позволяет экономить ресурсы за счет того, что не имеет отходов, позволяет создавать качественные полимерные скребки по индивидуальным чертежам в любых объемах и на разное оборудование.


